联大学堂河南理工大学工程力学网上考试答案
| 同一平面内的两个力偶彼此等效的条件是 |
| A.力偶矩的大小和力偶的转向一样 B.力偶矩的大小和力偶作用面的方位一样 C.力偶的转向和力偶作用面的方位一样。 D.二力偶矩矢量的方向相同 |
|
| 单位长度扭转角角与( )无关。 |
| A.杆的长度 B.扭矩 C.材料性质 D.截面几何性质 |
|
| 下列各种情况下,哪个选项是动荷载? |
| A.千斤顶顶重物时所受到的压力 B.水库中水对坝的压力 C.把重物很快地放到桌上,重物对桌子的作用力 D.匀速起吊重物时钢索受到的拉力 |
|
| 约束反力中含有力偶的支座为 |
| A.固定铰支座与滚动铰支座 B.固定支座与定向支座 C.固定铰支座与固定支座 D.定向支座与固定铰支座 |
|
| 低碳钢的拉伸试验是一个典型的试验。其主要性能指标为 |
| A.材料的强度指标 B.材料的塑性指标 C.材料的强度指标和塑性指标 D.以上都不对 |
|
| 若平面一般力系向某点简化后合力矩为零,则其合力 |
| A.一定为零 B.一定不为零 C.不一定为零 D.与合力矩相等 |
|
| 矩形截面梁当横截面的高度增加一倍、宽度减小一半时,从正应力强度考虑,该梁的承载能力的变化为 |
| A.不变 B.增大一倍 C.减小一半 D.增大三倍 |
|
| 关于平面力系的主矢和主矩,以下表述中正确的是 |
| A.主矢的大小、方向与简化中心无关 B.主矩的大小、转向一定与简化中心的选择有关 C.当平面力系对某点的主矩为零时,该力系向任何一点简化结果为一合力 D.当平面力系对某点的主矩不为零时,该力系向任一点简化的结果均不可能为一合力 |
|
| 以下说法中正确的是 |
| A.物体在两个力作用下平衡的充分必要条件是这二力等值、反向、共线 B.凡是受到两个力作用的刚体都是二力构件 C.理论力学中主要研究力对物体的外效应。 D.力是滑移矢量,力沿其作用线滑移不会改变对物体的作用效应 |
|
| 下列表述中正确的是 |
| A.任何平面力系都具有三个独立的平衡方程式 B.任何平面力系只能列出三个平衡方程式 C.在平面力系的平衡方程式的基本形式中,两个投影轴必须相互垂直 D.平面力系如果平衡,该力系在任意选取的投影轴上投影的代数和必为零 |
|
| 一个b=300,h=550截面的梁,怎么放置其承载力比较大 |
| A.宽为b, 高为h B.宽为h 高为b C.无法判断 D.都一样 |
|
| 现有钢、铸铁两种杆材,其直径相同。从承载能力与经济效益两个方面考虑,图示结构中两种合理选择方案是 |
| A.1杆为钢,2杆为铸铁 B.1杆为铸铁,2杆为钢 C.2杆均为钢 D.2杆均为铸铁 |
|
| 力偶对物体产生的运动效应为 |
| A.既能使物体转动,又能使物体移动 B.只能使物体移动 C.只能使物体转动 D.它与力对物体产生的运动效应有时相同,有时不同 |
|
| 各向同性假设认为,材料沿各个方向具有相同的 |
| A.外力 B.变形 C.位移 D.力学性质 |
|
| 铸铁试件扭转破坏是 |
| A.沿横截面拉断 B.沿45螺旋面拉断 C.沿横截面剪断 D.沿45o螺旋面剪断 |
|
| 三个刚片用三个铰两两相联,所得的体系 |
| A.一定为几何不变体系 B.一定为几何瞬变体系 C.一定为几何常变体系 D.不能确定 |
|
| 下列表述中不正确的是 |
| A.力矩与力偶矩的量纲相同 B.力不能平衡力偶 C.一个力不能平衡一个力偶 D.力偶对任一点之矩等于其力偶矩,力偶中两个力对任一轴的投影代数和等于零 |
|
| 光滑支承面对物体的约束力作用于接触点,其方向沿接触面的公法线 |
| A.指向受力物体,为压力 B.指向受力物体,为拉力 C.背离受力物体,为压力 D.背离受力物体,为拉力 |
|
| 某刚体连续加上或减去若干平行力系,对该刚体的作用效应 |
| A.不变 B.不一定改变 C.改变 D.一定改变 |
|
| 一重W的物体置于倾角为α的斜面上,若摩擦因数为f,且tgα A.静止不动 B.向下滑动 C.运动与否取决于平衡条件 D.向上滑动 参考答案:C 参考解析: 暂无 |
| A.静止不动 B.向下滑动 C.运动与否取决于平衡条件 D.向上滑动 |
|
| 刚体受三力作用而处于平衡状态,则此三力的作用线 |
| A.必汇交于一点 B.必互相平行 C.必都为零 D.必位于同一平面内 |
|
| 若平面一般力系向某点简化后合力矩为零,则其合力 |
| A.一定为零 B.一定不为零 C.?不一定为零 D.与合力矩相等 |
|
| 当剪应力超过材料的剪切比例极限时,下列说法正确的是 |
| A.剪应力互等定理和剪切虎克定律都不成立; B.剪应力互等定理和剪切虎克定律都成立 C.剪应力互等定理成立和剪切虎克定律不成立; D.剪应力互等定理不成立和剪切虎克定律成立 |
|
| 根据桩的密集程度,打桩顺序一般有( ) |
| A.逐一排打 B.自四周向中间打 C.分段打 D.自两侧向中间打 |
|
| 砖砌体工程的总体质量要求为( ) |
| A.横平竖直 B.内外搭接 C.上下错缝 D.灰浆饱满 |
|
| 墙体的主要构造措施包括( ) |
| A.柱间支撑 B.构造柱 C.伸缩缝 D.沉降缝 |
|
| 按桩的受力情况分类,下列说法正确的是( ) |
| A.按受力情况分桩分为摩擦桩和端承桩 B.按受力情况分桩分为预制桩和灌注桩 C.按受力情况分桩分为抗压桩和抗拔桩 D.端承桩的荷载主要是由桩端阻力承受 |
|
| 钢筋冷拉的作用是( ) |
| A.除锈 B.节约钢材 C.调直钢筋 D.增加塑性 |
|
| 在轻型井点系统中,平面布置的方式有( ) |
| A.单排井点 B.双排井点 C.环状井点 D.四排布置 |
|
| 打桩质量控制主要包括( ) |
| A.灌入度控制 B.桩尖标高控制 C.桩锤落距控制 D.打桩后的偏差控制 |
|
| 裱糊工程对各拼幅的质量要求是( ) |
| A.不空鼓、无气泡 B.横平竖直 C.拼接处花纹、图案应吻合 D.1.5m处正视不显拼缝 |
|
| 为了防止大体积混凝土裂缝的产生,可以采取哪些措施( ) |
| A.延长养护时间 B.混凝土振捣时,振捣密实 C.降低浇筑速度和减少浇筑层厚度 D.选用水化热低的矿渣水泥或火山灰水泥 |
|
| 混凝土的耐久性包括( ) |
| A.耐磨性 B.抗冻性 C.抗渗性 D.流动性 |
|
| 流砂的防治方法有( ) |
| A.水下挖土法 B.打预制桩法 C.地下连续墙法 D.抢挖法 |
|
| 砖墙面抹灰层空鼓原因是( ) |
| A.石灰熟化不够 B.墙面没有湿润 C.一次抹灰太厚 D.基层清理不干净 |
|
| 下面那些土不应作为填土土料( ) |
| A.含有大量有机质的土 B.冻土 C.淤泥 D.爆破石渣 |
|
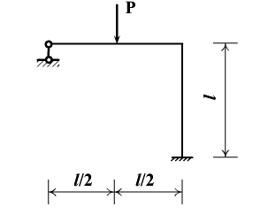
用力法计算图示刚架,并绘弯矩图。(EI=常数)  |
|
|
计算图示结构,并绘弯矩图,各杆EI=常数  |
|
|
试作如图所示梁的剪力图和弯矩图  |
|
|
求图示应力状态的主应力和最大剪应力  |
|
|
计算图示桁架指定杆件1、2、3的内力  |
|
|
| 一质点在铅垂平面内作圆周运动,当质点恰好转过一周时,其重力的功为零,对吗?为什么? |
|
|
| 工艺参数 |
|
|
| 许用应力 |
|
|
| 冠梁 |
|
|
| 刚体 |
|
|
| 中性轴 |
|
|
| 惯性主轴 |
|
|
| 工程建设程序 |
|
|
| 约束力 |
|
|
| 加减平衡力系原理 |
|
|
| 弯曲 |
|
|
| 管涌现象 |
|
|
| 刚化原理 |
|
|
| 连续性假设 |
|
|
| AB杆质量为m,长为L,曲柄O1A、O2B质量不计,且O1A=O2B=R,O1O2=L,当φ=60°时,O1A杆绕O1轴转动,角速度ω为常量,则该瞬时AB杆应加的惯性力大小为__________,方向为__________ |
|
|
| 单元体是由三对________的面组成,由于单元体极其微小,可以认为它的每个面上的应力是________分布的,而且在________的面上 |
|
|
| 压杆稳定的欧拉公式适用于________范围内,用柔度λ来表示则λ≥________。 |
|
|
图示折杆ABCD,在自由端A作用水平力P1及铅垂力P2,请分别写出各段的变形,AB段为________变形,BC段为变形,CD段为________变形。  |
|
|
| 刚体在作平动过程中,其上各点的__________相同,每一瞬时,各点具有__________的速度和加速度 |
|
|
用积分法求图示梁的变形时,以A为原点写出AB梁的微分方程________及边界条件________、________。注:B点为弹簧支撑,已知弹簧的位移λ=,P为作用在弹簧上的力,C为弹簧的刚性系数  |
|
|
图示结构,作用荷载P,不计轴向变形时,支座A的反力矩MA等于________  |
|
|
用积分法求图示梁的变形时,以A为原点写出AB梁的微分方程________及边界条件________、________。注:B点为弹簧支撑,已知弹簧的位移λ=,P为作用在弹簧上的力,C为弹簧的刚性系数  |
|
|
| 在无阻共振曲线中,当激振力频率等于系统的固有频率时,振幅B趋近于( ) |
|
|
| 位移互等定理的表达式是________ |
|
|
| 材料不同的两物块A和B叠放在水平面上,已知物块A重0.5kN,物块B重0.2kN,物块A、B间的摩擦系数f1=0.25,物块B与地面间的摩擦系数f2=0.2,拉动B物块所需要的最小力为( ) |
|
|
| 物体的平衡是指物体相对于地面__________或作________运动的状态 |
|
|
用力矩分配法计算图示连续梁时,算至放松结点C分配传递后,当前结点B的结点不平衡力矩(约束力矩)等于________kN.m  |
|
|
| A端剪力等于________kN。 |
|
|
| 对空心砖墙的砌筑,以下说法正确的是( ) |
| A.不得采用半砖厚的空心砖隔墙 B.承重空心砖的孔洞应呈水平方向砌筑 C.非承重空心砖墙的底部至少砌五皮实空心砖 D.在门口两侧一砖长范围内,用实心砖砌筑 |
|
| 整根承受均布载荷的简支梁,在跨度中间处 |
| A.剪力最大,弯矩等于零 B.剪力等于零,弯矩也等于零 C.剪力等于零,弯矩为最大 D.剪力最大,弯矩也最大 |
|
| 下列说法不正确的是 |
| A.力偶在任何坐标轴上的投形恒为零 B.力可以平移到刚体内的任意一点 C.力使物体绕某一点转动的效应取决于力的大小和力作用线到该点的垂直距离 D.力系的合力在某一轴上的投形等于各分力在同一轴上投形的代数和 |
|
| 直径为d的圆形对其形心轴的惯性半径i= |
| A.d/2 B.d/3 C.d/4 D.d/8 |
|
| 计算弯矩时 取左段梁为研究对象时,对截面形心产生顺时针转动效应的外力矩(包括力偶矩)取 |
| A.正号 B.?负号 C.不一定 D.与正负无关 |
|
| 对于胡克定律,以下说法哪个是正确的? |
| A.轴向变形与轴向载荷成正比,与杆的长度成正比,与杆的截面面积成反比。 B.轴向变形与轴向载荷成正比,与杆的长度成反比,与杆的截面面积成反比。 C.轴向变形与轴向载荷成正比,与杆的长度成反比,与杆的截面面积成正比。 D.没关系 |
|
| 计算剪力时取左段梁为研究对象时,向上的外力取 |
| A.正号 B.负号 C.不一定 D.与正负无关 |
|
| 对于现场预制钢筋混凝土方桩的制作,下列说法正确的是( ) |
| A.桩的混凝土强度等级不应低于C20 B.桩的混凝土强度等级不应低于C30 C.浇筑完毕应覆盖洒水养护不少于7d D.浇筑时应由桩尖向桩顶连续进行,严禁中断 |
|
| 瓷质饰面砖空鼓的原因是( ) |
| A.面砖浸水不足 B.基层不平整 C.结合层不饱满 D.结构强度不足 |
|
| 影响填土压实的主要因素有( ) |
| A.压实遍数 B.土的含水量 C.土的天然密度 D.土的孔隙特征 |
|
| 履带式起重机的起重能力常用起重量(Q)、起重高度(H)和起重半径(R)三个参数表示,它们之间的关系表达错误的是( ) |
| A.当起重臂长度一定时,随着仰角增大,Q和H增加,而R减小 B.当起重臂长度一定时,随着仰角增大,Q和R增加,而H减小 C.当起重臂长度一定时,随着仰角增大,H和R增加,而Q减小 D.当起重臂长度一定时,随着仰角增大,H增加,而Q和R减小 |
|
| 人工挖孔桩安全措施包括( ) |
| A.照明电压采用110伏 B.护壁应高出地面150~200mm C.设鼓风机向井下送风 D.孔径小于1m可不设安全软梯 |
|
计算图示结构,绘弯矩图、剪力图、轴力图  |
|
|
| 胡克定律 |
|
|
| 约束 |
|
|
| 二力平衡公理 |
|
|
| 工艺逻辑关系 |
|
|
| 工作总时差 |
|
|
| 若截面对于y轴和z轴的惯性积Iyz=0,则此对轴称为________轴,若此对轴又通过形心,则称此对轴为________轴。对称图形中含有对称轴的一对坐标轴必为________轴 |
|
|
| 竖立的折杆ABC,C端固定,A端作用一垂直于AB的水平力P=500N,BC杆为空心圆杆,外径D=80mm,内径d=70mm,用第四强度理论计算相当应力σr4为( ) |
|
|
| 平面汇交力系平衡的必要与充分条件是:_____。该力系中各力构成的力多边形____ |
|
|
| 单元体是由三对________的面组成,由于单元体极其微小,可以认为它的每个面上的应力是________分布的,而且在________的面上 |
|
|
图示结构中固定端A的反力为________、________、________  |
|
|
| 低碳钢试件扭转破坏是 |
| A.沿横截面拉断 B.沿45o螺旋面拉断 C.沿横截面剪断 D.沿45o螺旋面剪断 |
|
| “二力平衡公理”和“力的可传性原理”只适用于 |
| A.任何物体 B.固体 C.弹性体 D.刚体 |
|
| 虎克定律使用的条件是 |
| A.ζ<ζ B.ζ>ζp C.ζ<ζs D.ζ>ζs |
|
| 力对物体的作用效应取决于力的三要素,下列选项中不属于力的三要素的是: |
| A.力的大小 B.力的单位 C.力的方向 D.力的作用点 |
|
| 正应力,剪应力的关系 |
| A.相互垂直 B.平行 C.相交 D.不一定 |
|
| 低碳钢拉伸经过冷却硬化后,以下四种指标中哪种得到提高 |
| A.强度极限 B.比例极限 C.断面收缩率 D.伸长率 |
|
| 物块重为P,受水平力F作用,摩擦角为20o,P=F,则物块 |
| A.向上滑动 B.向下滑动 C.静止 D.临界平衡状态 |
|
| 在下列失效现象中,哪一个是因为不满足强度条件而引起的? |
| A.煤气瓶爆炸 B.车削较长的轴类零件时,伪装上尾架,是加工精度差。 C.吊车梁上的小车在梁上行走困难,好像总在爬坡。 D.水塔的水箱由承压的四根管柱支撑,忽然间管柱弯曲、水箱轰然坠地。 |
|
| 各单位可根据现场情况制定本规程补充条款和实施细则,经( )批准 |
| A.当地政府 B.本单位分管生产的领导 C.本单位总工程师 D.上级主管部门 |
|
| 大体积混凝土施工应优先选用( ) |
| A.低水化热水泥 B.火山灰水泥 C.掺缓凝剂水泥 D.掺早强剂水泥 |
|
| 重为P的物块A沿光滑斜面下滑,并通过一绕过光滑滑轮的绳索带动重为Q的物块B运动,如图所示。斜面与水平夹角为α,滑轮和绳索质量不计,且绳索不可伸长,求物块B的加速度a |
|
|
| 稳定性 |
|
|
| 夯实法 |
|
|
| 作用荷载P,不计轴向变形时,支座A的反力矩MA等于________ |
|
|
图示是梁的左段,A点力2P为反力,B点作用力P,C点作用力偶Pa,此时截面C的剪力QC=________,弯矩MC=________  |
|
|
| 物体在一个力系作用下,此时只能( )不会改变原力系对物体的外效应 |
|
|
| _________面称为主平面。主平面上的正应力称为______________ |
|
|
| 实心圆形截面轴,当横截面的直径增大一倍时,该轴的扭刚度增 |
| A.4倍 B.8倍 C.16倍 D.32倍 |
|
| 在下述公理、法则、定律中,只适用于刚体的是 |
| A.二力平衡公理 B.力的平行四边形法则 C.加减平衡力系公理 D.力的可传性 |
|
| 低碳钢的拉伸试验的主要性能指标为 |
| A.材料的强度指标 B.材料的塑性指标 C.材料的强度指标和塑性指标 D.以上都不对 |
|
| 正立方体的顶角上作用着六个大小相等的力,此力系向任一点简化的结果是 |
| A.主矢等于零,主矩不等于零 B.主矢不等于零,主矩也不等于零; C.主矢不等于零,主矩等于零 D.主矢等于零,主矩也等于零。 |
|
| 轴向拉伸细长杆件如图所示,则正确的说法应是 |
| A.1-1、2-2面上应力皆均匀分布 B.1-1面上应力非均匀分布,2-2面上应力均匀分布 C.1-1面上应力均匀分布,2-2面上应力非均匀分布 D.1-1、2-2面上应力皆非均匀分布 |
|
| 下列对静力压桩特点的描述正确的是( ) |
| A.无噪音,无振动 B.与锤击沉相比,可节约材料降低成本 C.压桩时,桩只承受静压力 D.只可通过试桩得单桩承载力 |
|
| 影响填土压实质量的主要因素有( ) |
| A.压实功 B.机械的种类 C.土的含水量 D.土质 |
|
三铰拱刚架如图所示,受一力偶作用,其矩M=50kN·m,不计自重,试求A、B处的约束反力  |
|
|
| 多道抗震防线的含义和目的是什么? |
|
|
| 力偶 |
|
|
| 中性层 |
|
|
| 人工地基加固方法有三大类,即( )、( )、( )。 |
|
|
图示折杆ABCD,在自由端A作用水平力P1及铅垂力P2,请分别写出各段的变形,AB段为________变形,BC段为变形,CD段为________变形。  |
|
|
| 动荷载、动应力是指荷载随________不断地变化,或构件在荷载作用下随________不断运动。但只要应力不超过材料的比例极限,________定律仍适用于动应力、动应变的计算 |
|
|
| 压杆稳定的欧拉公式适用于________范围内,用柔度λ来表示则λ≥________。 |
|
|
| 空间力偶矩是 |
| A.代数量 B.滑动矢量 C.定位矢量; D.自由矢量 |
|
| 下列说法正确的是 |
| A.在工程力学中我们把所有的物体都抽象化为变形体 B.在工程力学中我们把所有的物体都抽象化为刚体 C.稳定性是指结构或构件保持原有平衡状态 D.工程力学是在塑性范围内,大变形情况下研究其承截能力 |
|
| 采用悬索结构的优点有 |
| A.跨度大 B.自重轻 C.用料省 D.平面样式多样 |
|
| 何谓纯弯曲和平面弯曲? |
|
|
| 强 度 |
|
|
| 已知主动轮A输入功率为80马力,从动轮B和C输出功率为30马力和50马力,传动轴的转速n=1400转/分,那么,各轮上的外力偶矩的大小分别为mA=____ ,mB=______, mC=______ |
|
|
| 矩形截面弯曲剪应力公式为τ=其中S*z是所求剪应力的点,画平行于中性轴的横线________截面面积对中性轴的面积矩,因此S*z是________量,截面上的最大剪应力发生在________ |
|
|
| 图形对于其对称轴的 |
| A.静矩为零,惯性矩不为零 B.静矩和惯性矩均为零 C.静矩不为零,惯性矩为零 D.静矩和惯性矩均不为零 |
|
| 一等直拉杆在两端承受轴向拉力作用,若其一半为钢,另一半为铝,则两段的 |
| A.应力相同,变形相同 B.应力相同,变形不同 C.应力不同,变形相同 D.应力不同,变形不同 |
|
| 不为零的力在某轴上的投影等于零,则该力与轴的夹角应为 |
| A.0 B.900 C.1800 D.450 |
|
| 钢筋混凝土梁正截面破坏形态有( ) |
| A.适筋破坏 B.超筋破坏 C.少筋破坏 D.剪压破坏 |
|
| 填土方压实的方法有( ) |
| A.碾压法 B.振动压实法 C.水灌法 D.堆载法 |
|
用位移法计算图示结构,并绘弯矩图  |
|
|
| 提高推土机生产率的作业方法有那几种? |
|
|
| 力系的简化 |
|
|
图示对称结构,截面K弯矩的绝对值为_______  |
|
|