青书学堂郑州轻工业大学数字电子技术(专升本)网上考试答案
其进行( )。 |
| A:D/A转换 B:A/D转换 C:直接输入 D:随意 |
|
 |
| A:施密特触发器 B:双稳态触发器 C:单稳态触发器 D:多谐振荡器 |
|
| 555构成的施密特触发器的回差电压△UT为( )。 |
| A:VCC B:VCC/2 C:2VCC/3 D:VCC/3 |
|
 |
| A:1片 B:2片 C:3片 D:4片 |
|
 |
| A:2个触发器; B:4个触发器 C:16个触发器 D:12个触发器 |
|
。 |
| A:D触发器 B:R-S触发器 C:J-K触发 D:都不是 |
|
的门是( )。 |
| A:与非门 B:或非门 C:异或门 D:或门 |
|
一电阻。 |
| A:输出与地 B:输出与电源 C:输出与输入 D:输出接电阻 |
|
,该电路为( )。 |
| A:与非门 B:或非门 C: 或门 D:与门 |
|
 |
| A:三态门 B:集电极开路门 C:与门 D:或门 |
|
已知 ,则下列函数中与该函数不等价的是( )。 |
A: B: C: D: |
|
在A=1,B=0,C=0时,输出F为( )。
 |
| A:0 B:1 C:高阻 D:不定 |
|
下图所示电路中,其输出逻辑函数表达式Y=( )。
 |
A: B: C: D: |
|
 |
| A:RS触发器 B:JK触发器 C:D触发器 D:T触发器 |
|
)个存储单元。 |
| A:1024 B:4 C:4096 D:8 |
|
 |
| A:2个 B:1个 C:4个 D:8个 |
|
)。 |
| A:2个 B: 3个 C:4个 D:8个 |
|
)电路。 |
| A:译码器 B:编码器 C:数据选择器 D:数据比较器 |
|
应是( )。 |
| A:全部为高电平 B:至少一个端为高电平 C:全部为低电平 D:至少一个端为低电平 |
|
 |
A: B: C: D: |
|
出关系是( )。 |
| A:非 B:与非 C:与 D:或 |
|
 |
| A:n B:2n C:2n D:2n-1 |
|
函数 的最简与或式为( )。 |
A:AB B: C:1 D:0 |
|
 |
| A:最大项之积 B:最小项之积 C:最大项之和 D:小项之和 |
|
)。 |
| A:140.125 B:125.50 C:136.25 D:124.25 |
|
 |
| A:十进制 B: 二进制 C:十六进制 D:八进制 |
|
有一个4位右移移位寄存器,当预先置入 后,其右移串行数据输入端固定接1,在3个移位脉冲CP的作用下,数据的移位过程是( )。 |
A: B: C: D: |
|
下图电路实现功能为( )。
 |
| A:单稳态触发器 B:施密特触发器 C:多谐振荡器 D:数据选择器 |
|
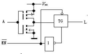
电路图如下,当 、A=1时,L=( )。
 |
| A:0 B:1 C:高阻态 D:输出状态 |
|
逻辑函数F= 的反函数是( )。 |
A: = B: = C: = D: = |
|
 |
| A:D触发器 B:RS触发器 C:与非门电路 D:定时器 |
|
 |
| A:定时器 B:波形发生器 C:存储器 D:寄存器 |
|
已知F=A +BD+CDE+ D,下列结果正确的是( )。 |
A:F= B:F= C:F= D:F= |
|
。 |
| A:PROM的与阵列固定,不可编程 B:PROM与阵列、或阵列均不可编程 C:PAL与阵列、或阵列均可编程 D:PAL的与阵列可编程 |
|
| 欲使JK触发器按Qn+1=Qn工作,可使JK触发器的输入端为以下( )情况。 |
A:J=K=0 B:J=Q,K= C:J= ,K=Q D:J=Q,K=0 |
|
已知F=A +BD+CDE+ D,下列结果正确的是( )。 |
A:F= B:F= C:F= D:F= |
|
| 当三态门输出高阻状态时,以下说法正确的是( )。 |
| A:用电压表测量指针不动 B:相当于悬空 C:电压不高不低 D:测量电阻指针不动 |
|
| 容量为16K×8的存储器有 根地址线, 根数据线 |
| A:4.0 B:8.0 C:14.0 D:16.0 |
|
| 一个16选1的数据选择器,其地址选择端有 个,数据输入端有 个 |
| A:1.0 B:2.0 C:4.0 D:16.0 |
|
| 下列选项中,可用于表示八进制数的符号是( )。 |
| A:8 B:7 C:9 D:6 |
|
| A | B | C | D | F | | 1 | 0 | 0 | 0 | 0 | | 1 | 0 | 0 | 1 | 0 | | 1 | 0 | 1 | 0 | 0 | | 1 | 0 | 1 | 1 | 1 | | 1 | 1 | 0 | 0 | 0 | | 1 | 1 | 0 | 1 | 1 | | 1 | 1 | 1 | 0 | 1 | | 1 | 1 | 1 | 1 | 1 |
|
|
|