首 页
郑州大学
奥鹏教育
国家开放大学
西南交通大学
成人教育
联大学堂
江苏师大
青书学堂
 
   今天是: 全民学习吧,专业辅导,快速解决您的烦恼,详情请加微信:goodluckgold、QQ:3446094242
  当前位置: 青书学堂网上考试答案
       
 
QQ:3446094242
微信号:goodluckgold
课件学习、网上考试答案,如有需要,请加微信或QQ,全程辅导,为您排忧解难!!!
 
青书学堂黄淮学院流体力学(专升本)网上考试答案
有一倾斜放置的平面闸门,如图所示。当上下游水位都上升 1m 时(虚线位置),

闸门上的静水总压力 ( )

ex_1257306168242_0.gif

A:变大 B:变小 C:不变 D:无法确定
静止液体作用在曲面上的静水总压力的水平分力ex_1257305831031_0.gif,式中的(
A:ex_1257305889648_0.gif为受压面形心处的绝对压强 B:ex_1257305905154_0.gif为压力中心处的相对压强 C:ex_1257305922888_0.gif为受压曲面的面积 D:ex_1257305939337_0.gif为受压曲面在铅垂面上的投影面积
已知某 并联管路的两支路的比阻之比 ex_1257558058238_0.gif,管长之比ex_1257558179434_0.gif,则相应的流量

之比ex_1257558194906_0.gif )。

A:2 B:ex_1257558270129_0.gif C:ex_1257558349013_0.gif D:ex_1257558359307_0.gif
圆管层流运动过流断面上的最大流速ex_1257556483030_0.gif与平均流速ex_1257556467953_0.gif之比ex_1257556500465_0.gif )。
A:4 B:3 C:2 D:1
已知某变径有压管段的管径之比 ex_1257556244433_0.gif ,则相应的雷诺数之比ex_1257556257337_0.gif )。
A:1 B:2 C:3 D:4
应用恒定总流的动量程ex_1257399103616_0.gif 解题时,ex_1257399147334_0.gif 中不应包括( ).
A:惯性力 B:压力 C:摩擦力 D:重力
有一倾斜放置的平面闸门,如图所示。当上下游水位都上升 1m 时(虚线位置),

闸门上的静水总压力 ( )

ex_1257306168242_0.gif

A:变大 B:变小 C:不变 D:无法确定
重力作用下的流体静压强微分方程为ex_1257305690216_0.gif
A:ex_1257305749877_0.gif B:ex_1257305761571_0.gif C:ex_1257305770402_0.gif D:ex_1257305781270_0.gif
已知突然扩大管道突扩前后管段的管径之比 ex_1257309596338_0.gif,则突扩前后断面平均流速之比ex_1257309663060_0.gif )。
A:4 B:2 C:1 D:0.5
如图所示圆柱体,其左半部在静水作用下受到浮力 ex_1257306629633_0.gif ,则圆柱体在该浮力作用下将( )。

ex_1257306777867_0.jpg

A:匀速转动 B:加速转动 C:减速转动 D:固定不动
下列各组力中,属于质量力的是( )。
A:压力、摩擦力 B:重力、压力 C:重力、惯性力 D:黏性力、重力
A:水、汽油、酒精 B:水、新拌砼、新拌建筑砂浆 C:泥石流、泥浆、血浆 D:水、水石流、天然气
A:密度 B:密度变化 C:黏度 D:黏度变化
A:水一定是从高处向低处流 B:水一定是从流速大处向流速小处流 C:水一定是从压强大处向压强小处流 D:水一定是从机械能大处向机械能小处流
A:点流速 B:点压强 C:断面平均流速 D:流量
A:点流速 B:点压强 C:断面平均流速 D:流量
均匀流过流断面上各点的( )等于常数。
A:p B:ex_1257309438826_0.gif C:ex_1257309473411_0.gif D:ex_1257309492273_0.gif
在恒定流中,流线与迹线在几何上( )。
A:相交 B:正交 C:平行 D:重合
A:密度、运动黏度、动力黏度 B:流速系数、流量系数、渗流系数 C:压强、压力、切应力 D:管径、水深、水头损失
有过水断面面积、糙率、底坡均相同的四条矩形断面棱柱形长直渠道,其

底宽b与均匀流水深h。有以下几种情况,则通过流量最大的渠道是( )

A:b1= 4.0 mh01 = 1.0m B:b2 = 2.0mh02 = 2.0m C:b3= 2.8 mh03 = 1.4m D:b4 = 2.6m,h04 = 1.5m

已知某 并联管路的两支路的比阻之比 ex_1257558058238_0.gif,管长之比ex_1257558179434_0.gif,则相应的流量

之比ex_1257558194906_0.gif )。

A:2 B:ex_1257558270129_0.gif C:ex_1257558349013_0.gif D:ex_1257558359307_0.gif
圆管层流运动过流断面上的最大流速ex_1257556483030_0.gif与平均流速ex_1257556467953_0.gif之比ex_1257556500465_0.gif )。
A:4 B:3 C:2 D:1
已知某变径有压管段的管径之比 ex_1257556244433_0.gif ,则相应的雷诺数之比ex_1257556257337_0.gif )。
A:1 B:2 C:3 D:4
已知压力输水管模型试验的线性比尺 ex_1257488909235_0.gif,若原、模型采用同一流体,则其流量比尺ex_1257488926692_0.gif 和压强比尺ex_1257489063225_0.gif 分别为( )。
A:ex_1257489081406_0.gif B:ex_1257489096059_0.gif C:ex_1257489108499_0.gif D:ex_1257489120556_0.gif
欲使水力最优梯形断面渠道的水深和底宽相等,则渠道的边坡系数ex_1257560169001_0.gif应为( )。
A:1.5 B:1 C:0.75

D:0.5
下列关于长管水力计算的说法中,不正确的是( )。
A:串联管路的总水头损失等于各支路的水头损失之和

B:串联管路的总流量等于各支路的流量之和

C:并联管路两节点间的总水头损失等于各支路的水头损失

D:并联管路各支路的水头损失相等

明渠中不可能出现的流动为( )。
A:恒定均匀流

B:恒定非均匀流

C:非恒定均匀流

D:非恒定非均匀流

水力最优断面是指( )的渠道断面。
A:造价最低 B:糙率最小

C:ex_1257560059633_0.gif一定时,过流面积ex_1257560081543_0.gif最大 D:ex_1257560106560_0.gif在一定时,过流面积ex_1257560130138_0.gif最大
下列关于压力体的说法中,正确的是(
A:当压力体和液体在曲面的同侧时,为实压力体,ex_1257306445525_0.gif B:当压力体和液体在曲面的同侧时,为虚压力体,ex_1257306484818_0.gif C:当压力体和液体在曲面的异侧时,为实压力体,ex_1257306484818_0.gif D:当压力体和液体在曲面的异侧时,为虚压力体,ex_1257306445525_0.gif
在工程流体力学中,单位质量力是指作用在单位( )上的质量力。
A:面积 B:体积 C:质量 D:重量
不可压缩气体总流能量方程ex_1289437986798_0.gif
A:1 2断面上的绝对压强 B:1 断面上的绝对压强及2动能上的相对压强 C:1 2 断面上的相对压强 D:1 面上的相对压强及2断面上的绝对压强
应用恒定总流的动量程ex_1257399103616_0.gif 解题时,ex_1257399147334_0.gif 中不应包括( ).
A:惯性力 B:压力 C:摩擦力 D:重力
已知某变径有压管段的管径之比 ex_1257556244433_0.gif ,则相应的雷诺数之比ex_1257556257337_0.gif )。
A:1 B:2 C:3 D:4
已知突然扩大管道突扩前后管段的管径之比 ex_1257309596338_0.gif,则突扩前后断面平均流速之比ex_1257309663060_0.gif )。
A:4 B:2 C:1 D:0.5
圆管层流运动过流断面上的最大流速ex_1257556483030_0.gif与平均流速ex_1257556467953_0.gif之比ex_1257556500465_0.gif )。
A:4 B:3 C:2 D:1
已知某管流的雷诺数ex_1257577846586_0.gif,则其相应的断面平均流速与最大流速之比ex_1257577868680_0.gif。(
A:正确 B:错误
图示板试件,中间段横截面上的应力等于 100MPa。 1374118622140.jpg
A:正确 B:错误
图示杆件中,AB段的轴力是10kN。 1374115615093.jpg
A:正确 B:错误
材料、长度、 横截面形状和尺寸完全相同的 两根梁,若同时发生破坏,则施加在 b )梁上的集中力偶 Me= 1/2 )。1374122028453.jpg
A:正确 B:错误
材料相同、长度相等的两根梁 a )和( b ),横截面尺寸如图所示,从弯曲强度考虑,两者的许可载荷之比 F2/F1 = 9:1)。1374121462968.jpg
A:正确 B:错误
流体的黏性随着温度的增加而减小。(
A:正确 B:错误
流线一般不能相交,且只能是一条光滑的折线。(
A:正确 B:错误
静止流体的法向应力等于零。(
A:正确 B:错误
在工程流体力学中,单位质量力是指作用在单位重量流体上的质量力。(
A:正确 B:错误
A:正确 B:错误
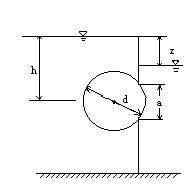
竖直隔板上开有矩形孔口:高a=1.0m,宽b=3m.直径d=2m的圆柱筒将其堵塞。隔板两侧充水,h=2m,z=0.6m.求作用于该圆柱筒的静水总压力。
全民学习吧
加微信:goodluckgold,QQ:3446094242,轻松辅导,学习无忧