青书学堂华北水利水电大学电路原理(专升本)网上考试答案
为到达稳定状态。 |
A: B:(3~5) C: 8 D: 10 |
|
 |
| A: 戴维宁定理通常用于含独立电源、线性电阻和受控源的一端口网络; B: 戴维宁等效电阻Req是指有源一端口内全部独立电源置零后的输入电阻; C: 在数值上,开路电压UOC、戴维宁等效电阻Req和短路电流于满足UOC=ReqISC; D: 求解戴维宁等效电阻Req时,电流源置零时相当于短路,电压源置零时相当于开路。 |
|
 |
| A: 超前 B: 滞后 C: 超前 D: 超前 |
|
| 10Ω电阻和0.2F电容并联电路的时间常数为( )。 |
| A: 1S B: 0.5S C: 2S D: 1.5S |
|
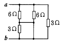
图中等效输入电阻Rab为( )。 |
| A: 6Ω B: 5Ω C: 3Ω D: 2Ω |
|
如图所示电路,ab两端的等效电阻Rab为( ) |
| A: 1.5Ω B: 3Ω C: 2Ω D: 4Ω |
|
图中10V的电压源发出的功率PVS为( )。 |
| A: 30W B: 20W C: -30W D: -20W |
|
如图电路中,电压Uab为( )。 |
| A: 9V B: 6V C: 3V D: -3V |
|
在如图所示的电路中,电压U等于( )。 |
A: 4V B: 16V C: -4V D: 0V |
|
| 电流强度是指(???? )。 |
| A:一秒钟内通过导体横截面的电量 B:一秒钟内通过导体横截面的电流 C:一秒钟内通过导体横截面的磁通 D:一秒钟内通过导体横截面的磁场强度 |
|
 |
| A:发射结正偏,集电结正偏B B:发射结正偏,集电结反偏 C:发射结反偏,集电结正偏 D:发射结反偏,集电结反偏 |
|
1=,V U 4.52=,V U 123=,则对应该管的管脚排列依次是( ) 。 |
| A:e, b, c B:b, e, c C:b, c, e D:c, b, e |
|
| 温度升高时,三极管的β值将( )。 |
| A:增大 B:减少 C:不变 D:不能确定 |
|
导通电流将( )。 |
| A:增大 B:减小 C:不变 D:不确定 |
|
选( )。 |
| A: 电流串联负反馈 B: 电压并联负反馈 C: 电流并联负反馈 D: 电压串联 |
|
双端输入.双端输出差分放大电路如图所示。已知静态时,V o =V c1-V c 2=0,设差模电压增益100vd=A amp;amp;,共模电压增益mV 5V mV,10,0i2i1c ===V A V ,则输出电压o V 为() |
| A: 125mV B: 1000 mV C: 250 mV D: 500 mV |
|
频带( )。 |
| A: 变宽 B: 变窄 C: 不变 D: 与各单级放大电路无关 |
|
 |
| A: 放大倍数越稳定 B: 交流放大倍数越大 C: 抑制温漂能力越强 D: 输入信号中的差模成分越大 |
|
图1-10所示电路出现故障,经测量得知V E=0,V C=V CC,故障的可能原因为( )。
 |
| A: R c开路 B: R c短路 C: R e短路 D: R b1开路 |
|
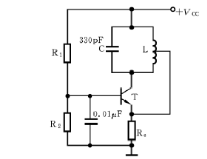
LC 正弦波振荡电路如图1-9所示,该电路( )。 |
| A: 由于无选频网络不能产生正弦波振荡 B: 由于不满足相位平衡条件,不能产生正弦波振荡 C: 满足振荡条件能产生正弦波振荡 D: 由于放大器不能正常工作,不能产生正弦波振荡 |
|
某放大电路图所示.设V CC gt; gt;V BE, L CEO≈0,则在静态时该三极管处于( )
 |
| A:放大区 B:饱和区 C:截止区 D:区域不定 |
|
某三极管各电极对地电位如图所示,由此可判断该三极管( )
 |
| A: 处于放大区域 B: 处于饱和区域 C: 处于截止区域 D: 已损坏 |
|
典舞、( )、现代舞、当代舞四类。 |
| A:街舞 B:国标舞 C:民间舞 D:钢管舞 |
|
 |
| A:精神世界 B:物质世界 C:理想主义 D:现实主义 |
|
)。 |
| A:综合性 B:随意性 C:自发性 D:抒情性 |
|
 |
| A:实际生活 B:劳动 C:思想 D:政治 |
|
 |
| A:甘肃省歌舞团 B:青海省歌舞团 C:海南省歌舞团 D:江西省歌舞团 |
|
 |
| A:交际舞 B:拉丁 C:探戈 D:华尔兹 |
|
 |
| A:法国 B:中国 C:德国 D:美国 |
|
 |
| A:特征是圆,中国古典舞蹈被称为划圆的艺术 B:特征是方,中国古典舞蹈被称为划方的艺术 C:特征是肢体,中国古典舞蹈被称为肢体的艺术 D:特征是柔美,中国古典舞蹈被称为柔美的艺术 |
|
 |
| A:外电场 B:内电场 C:掺杂 D:热激发 |
|
。 |
| A:直觉性 B:动作性 C:节奏性 D:造型性 |
|
( )了的人体动作,为主要艺术表现手段。 |
| A:提炼(典型化) B:组织(节奏化) C:美化(造型化) D:模仿(规范化) |
|
分,艺术舞蹈可分为( )三类。 |
| A:抒情性舞蹈 B:叙事性舞蹈 C:戏剧性舞蹈 D:劳动性舞蹈 |
|
 |
| A:《红灯记》、《沙家浜》 B:《智取威虎山》、《杜鹃》 C:《海港》、《龙江颂》 D:《白毛女》、《红色娘子军》 |
|
 |
| A:姿势 B:形态 C:结构 D:动作 |
|
 |
| A:国标摩登舞 B:国标拉丁舞 C:国标探戈 D:国标华尔兹 |
|
 |
| A:肢体表现法 B:直接表现法 C:间接表现法 D:综合 表现法 |
|
 |
| A:舞蹈动作 B:舞蹈队形 C:画面 D:哑剧手法 |
|
同?有什么不同? |
|
|